- LIA-MV-200-H单通道高频锁相放大器模块微弱信号测量
详细信息
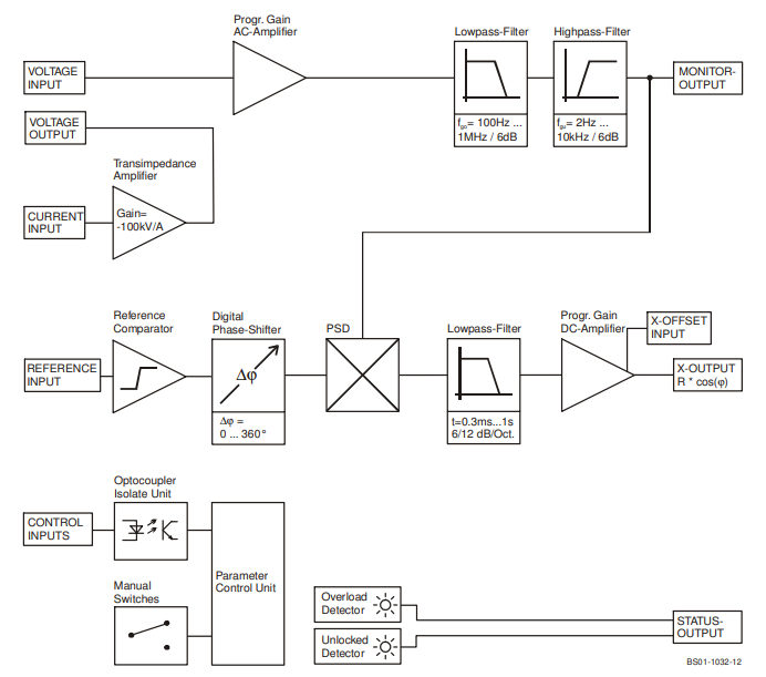
品牌:FEMTO 型号:LIA-MV-200-H 加工定制:否 测量范围:50 Hz ... 120 kHz 测量精度:见详情 LIA-MV(D)-200系列锁相放大器模块设计为独立单元,可以从前面板手动编程或通过数字接口远程编程。
使用标准数字 I/O 卡,可以轻松控制灵敏度、时间常数和相移。
这些特性使 LIA-MV(D)-200 系列成为复杂或自动化测试系统以及一般研究和开发的理想、经济高效的设备。
一、特征
● 单相/两相
● 坚固的铝制机身
● BNC 输入/输出连接器
● 频率范围:5Hz至120kHz
● 数字移相器 0° 至 360°
● 参考振荡器模块 SOM-1 选项
二、数据表
型号名称 LIA-MV-200-L
单相LIA-MV-200-H
单相LIA-MVD-200-L
双相LIA-MVD-200-H
双相工作频率 5Hz~10kHz 50Hz~120kHz 5Hz~10kHz 50Hz~120kHz 时间常数 3ms – 10s 6 或 12 dB/Oct。 300us – 1s 6 或 12 dB/Oct。 3ms – 10s 6 或 12 dB/Oct。 300us – 1s 6 或 12 dB/Oct。 输出(BNC) X = 同相
±10V满量程
短路保护
信号监测输出X = 同相
Y = 正交
R = 震级
±10 V满量程
短路保护
信号监测输出灵敏度(满量程) 电压:3uV至1V,1-3-10步长
电流:30pA至10uA,步长1-3-10电压输入(BNC) 仪表放大器,噪声12 nV/√Hz 电流输入(BNC) 跨阻放大器,增益100kV/A,噪声0.4 pA/√Hz 信号滤波器 高通0.2Hz至1kHz,低通100Hz至1MHz,可选 参考输入 (BNC) 100mV至5V,可切换至TTL 相位 0 至 360° 可变,8 位分辨率 温度漂移:<0.01°/℃ *大动态储备 80dB 数字控制 16 个 TTL/CMOS 输入:8 位相位、4 位时间常数、4 位灵敏度 电源 ±15V,+120mA/-60mA 尺寸 223 x 105 x 65 毫米(长 x 宽 x 高),1 千克 ※ 参考振荡器 SOM-1 可以选择性地通过模块内部的扩展连接器连接。
※ 电源输入为 3 针 LEMO 插座。该连接器包含在设备中。
※ PS-15 电源可作为选项提供。
三、应用
● 分光
● 发光、荧光、磷光测量
● 光散射测量
● 激光稳定
● 光学和电气质量控制
● 工业和研究测量系统
五、关于我们
公司生产IP防触电安规防护等级试验指、试验机、灯头量规通止规、插头插座量规、插座保护门、试验指针销、球压测试仪、弹簧冲击器、冷冻负载试验包、土壤水份传感器等等,还代理以色列OPHIR、德国WAZAU、德国GTE、德国FEMTO、英国MUNRO、英国RS、美国REGAN等进口品牌陶瓷砖/地板/道路摩擦系数测试仪、防滑检测仪、激光功率计/能量计、电流/电压/锁相放大器/光电接收器、试验仪器等等产品。

-
产品搜索
-
产品分类
-
陶瓷砖检测仪
-
数显摩擦磨损试验机
-
英国MUNRO仪器
-
德国GTE 试验仪
-
意大利GABBRIELLI测试仪
-
进口滑度测试仪
-
安全类检测设备
-
德国FEMTO放大器
-
美国DL电流放大器
-
博纳德BND自研激光类产品
-
OPHIR激光辐射检测仪/表头
-
OPHIR热电堆/热释电探头
-
OPHIR激光功率计探头
-
OPHIR光电二极管探头
-
美国Spiricon分析仪
-
加拿大gentec-eo功率能量计
-
美国Coherent功率能量计
-
美国Pacific Lasertec激光器
-
德国Lampert设备
-
美国DEI/BNC脉冲发生器
-
美国SRS仪器
-
英国RS仪器
-
英国SCITEC
-
德国HHB测量仪
-
试验指、针、销
-
弹簧冲击锤
-
PTL试验仪
-
德国WAZAU检测仪
-
美国TREK试验仪
-
灯头灯座量规
-
插头插座量规
-
IP喷水试验装置
-
冷冻负载试验包
-
土壤水分传感器
-
SP DEVICES数据采集卡
-
瑞士放大器
-
日本Minebea传感器
-
阻燃试验仪
-
美国MONROE检测仪
-
德国SHF光电探测器
-
日本志贺SIGA喷枪
-
激光光束分析仪
-
扫一扫,手机浏览














