- FEMTO发光荧光磷光测量锁相放大器LIA-MV-150
详细信息
品牌:FEMTO 型号:LIA-MV-150 加工定制:是 外形尺寸:见详情 mm 重量:见详情 ㎏ 用途:见详情· LIA-MV-150系列锁定放大器模块德国FEMTO Lock-In-Amplifier Module
结构紧凑、可靠性高,即使在噪音较差的环境中也可使用。在现代光电系统中,锁定放大是消除干扰噪声、提高测量灵敏度的*有效技术之一。因此,我们设计了一款微型、功能强大的模块,即使在高噪声环境下也能可靠运行。
- 可以通过本地开关直接操作相位和时间常数等设置,也可以使用标准 I/O 计算机板从外部操作。
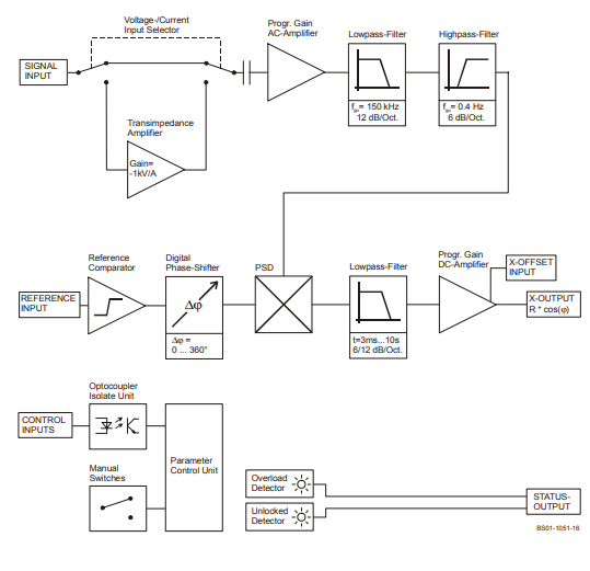
- 驱动频率是可变的,由外部参考信号(例如光学斩波器的同步信号或激光器的调制信号)决定。
- 可以进行电流/电压输入。
- 电流输入非常适合放大来自光电二极管或 PMT 等高阻抗源的信号。
- 电压输入便于测量来自热释光或线圈等低阻抗源的弱信号。
特征
▪电流和电压输入
▪工作频率达45kHz
▪可调就敏感度,时间常量和相位
▪本地和远程增益控制
▪紧密的EMI-shidlded 箱
两种方式的程序设计
放大器设置,例如阶段、 增益、 时间常数的控制通过直接在放大器模块或外部使用一个标准的数字 I/O 电脑板上的开关。可变的工作频率是由外部参考信号,例如斩波器的同步信号或激光的调制信号的决定的。电流输入能很好的适用于来自高阻抗源放大器信号,例如在电压输出时可以被用来测量像pyros或者线圈的低阻抗源的二极管和PMTs。
应用
▪光谱学
▪激光稳定
▪发冷光、荧光、磷光测量
▪光散射测量
▪光电质量控制
▪工业集成和科学计量
▪OEM系统
电源:PS-15-25-L
-
供应商的其他相关信息
查看更多
-
产品搜索
-
产品分类
-
陶瓷砖检测仪
-
数显摩擦磨损试验机
-
英国MUNRO仪器
-
德国GTE 试验仪
-
意大利GABBRIELLI测试仪
-
进口滑度测试仪
-
安全类检测设备
-
德国FEMTO放大器
-
美国DL电流放大器
-
博纳德BND自研激光类产品
-
OPHIR激光辐射检测仪/表头
-
OPHIR热电堆/热释电探头
-
OPHIR激光功率计探头
-
OPHIR光电二极管探头
-
美国Spiricon分析仪
-
加拿大gentec-eo功率能量计
-
美国Coherent功率能量计
-
美国Pacific Lasertec激光器
-
德国Lampert设备
-
美国DEI/BNC脉冲发生器
-
美国SRS仪器
-
英国RS仪器
-
英国SCITEC
-
德国HHB测量仪
-
试验指、针、销
-
弹簧冲击锤
-
PTL试验仪
-
德国WAZAU检测仪
-
美国TREK试验仪
-
灯头灯座量规
-
插头插座量规
-
IP喷水试验装置
-
冷冻负载试验包
-
土壤水分传感器
-
SP DEVICES数据采集卡
-
瑞士放大器
-
日本Minebea传感器
-
阻燃试验仪
-
美国MONROE检测仪
-
德国SHF光电探测器
-
日本志贺SIGA喷枪
-
激光光束分析仪
-
扫一扫,手机浏览














