- FEMTOPA级低噪声可变增益高精度跨阻放大器TIA
详细信息
品牌:FEMTO 型号:DLPCA-200 加工定制:否 测量范围:10^3-10^11 V/A 测量精度:± 1% 一、特征
● 可变增益10^3至10^11 V/A
● 工作频率范围 DC/1Hz 至 500kHz
● 低频截止频率 DC/1Hz(直流/交流耦合)
● 高频截止频率:1.1 kHz 至 500 kHz(取决于增益设置)
● 带宽切换 FBW(全带宽)⇔ DC 至 10Hz(用于低噪声直流测量)
● 带宽检测器电容独立(高达 1 pF)
● 可调偏置电压
● ±3kV瞬时高压保护
二、应用
● 光电二极管、光电倍增管输出放大器
● 扫描隧道显微镜(STM)
● 光谱学
● 粒子加速器和同步加速器的光束监测
● 电离检测器
● 锁定检测、A/D转换器的前置放大器
三、规格参数
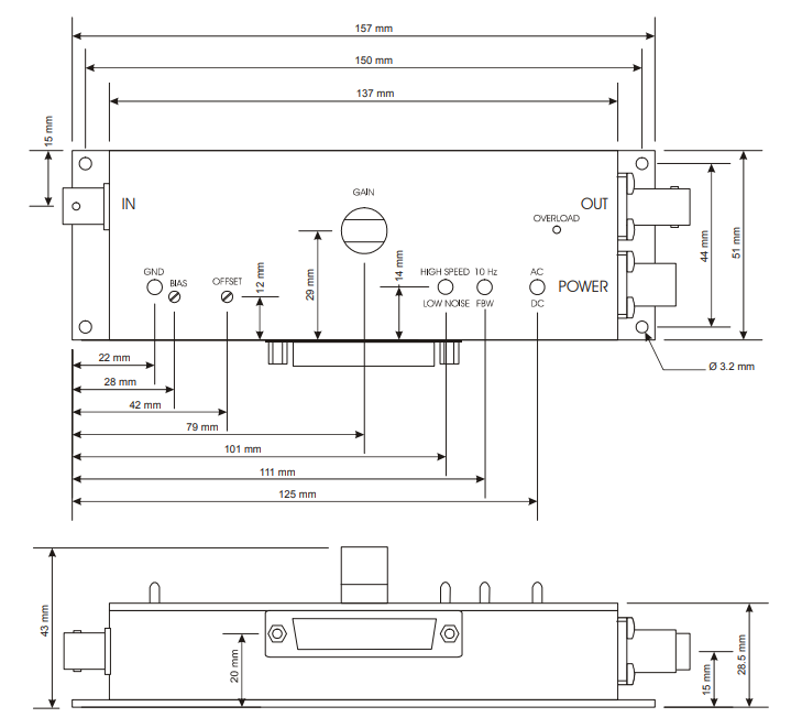
Model DLCPA-200 Performance range Low sound High speed Transimpedance [V/A] 10^3 10^4 10^5 10^6 10^7 10^8 10^9 10^5 10^6 10^7 10^8 10^9 10^10 10^11 Bandwidth (-3dB) [Hz] 500 500 400 200 50 7 1.1 500 500 400 200 50 7 1.1 Falling time (10%-90%) [ms] 700 ns 700 ns 900 ns 1.8 µs 7 µs 50 µs 300 µs 700 ns 700 ns 900 ns 1.8 µs 7 µs 50 µs 300 µs Input noise spectral density [/√Hz] 20pA 2.3pA 450fA 130fA 43fA 13 fA 4.3 fA 13pA 1.8pA 440fA 130fA 43fA 13 fA 4.3 fA Accuracy Gain ±1%, flatness 0.1dB Adjustable low pass filter Switchable to 10Hz Output performance ±10V, ±30mA Bias Voltage 10V, max. 22mA, connected to BNC screen, switchable to GND Power supply ±15 V, +120 mA / −80 mA typical, ±200 mA recommended Control interface 5 opto-isolated digital inputs (TTL/CMOS compatible) Analog polarity control voltage input Dimensions Dimensions: 170 x 60 x 45 mm (Length x Width x Height) Weight: 320g 可以使用微调电位器或外部控制电压来调整偏移电压。 LED 过载指示。 ±3kV瞬时高压输入保护。输出短路保护。
3 针 LEMO 连接器电源输入。包含电源输入连接器。 PS-15 电源单独出售。
六、关于我们公司生产IP防触电安规防护等级试验指、试验机、灯头量规通止规、插头插座量规、插座保护门、试验指针销、球压测试仪、弹簧冲击器、冷冻负载试验包、土壤水份传感器等等,还代理以色列OPHIR、德国WAZAU、德国GTE、德国FEMTO、英国MUNRO、英国RS、美国REGAN等进口品牌陶瓷砖/地板/道路摩擦系数测试仪、防滑检测仪、激光功率计/能量计、电流/电压/锁相放大器/光电接收器、试验仪器等等产品。
-
产品搜索
-
产品分类
-
陶瓷砖检测仪
-
数显摩擦磨损试验机
-
英国MUNRO仪器
-
德国GTE 试验仪
-
意大利GABBRIELLI测试仪
-
进口滑度测试仪
-
安全类检测设备
-
德国FEMTO放大器
-
美国DL电流放大器
-
博纳德BND自研激光类产品
-
OPHIR激光辐射检测仪/表头
-
OPHIR热电堆/热释电探头
-
OPHIR激光功率计探头
-
OPHIR光电二极管探头
-
美国Spiricon分析仪
-
加拿大gentec-eo功率能量计
-
美国Coherent功率能量计
-
美国Pacific Lasertec激光器
-
德国Lampert设备
-
美国DEI/BNC脉冲发生器
-
美国SRS仪器
-
英国RS仪器
-
英国SCITEC
-
德国HHB测量仪
-
试验指、针、销
-
弹簧冲击锤
-
PTL试验仪
-
德国WAZAU检测仪
-
美国TREK试验仪
-
灯头灯座量规
-
插头插座量规
-
IP喷水试验装置
-
冷冻负载试验包
-
土壤水分传感器
-
SP DEVICES数据采集卡
-
瑞士放大器
-
日本Minebea传感器
-
阻燃试验仪
-
美国MONROE检测仪
-
德国SHF光电探测器
-
日本志贺SIGA喷枪
-
激光光束分析仪
-
扫一扫,手机浏览














